規格:586-1001, 586-1002, 586-2001, 586-2002
單位:
瀏覽次數:664
性能標簽:
586系列應急切斷閥, 四種型號, 586 1001, 586 1002, 586 2001, 586 2002
586系列緊急切斷閥非常適合用作高純、易燃、有毒或腐蝕性氣體系統中的安全裝置,在這些系統中需要對氣體供應和流量進行故障安全切斷。與典型的電磁閥不同,這些截止閥具有金屬對金屬隔膜密封,使其適用于實驗室應用。緊急切斷閥旨在為自動化實驗室系統提供過程控制。高純度緊急切斷閥套件連接到CONCOA調節器的入口,并在產品和入口源之間進行切換。它們已準備好使用CONCOA 585緊急切斷控制器進行開箱即用控制,并可集成到任何氣體輸送系統中以提供瞬時切斷。
主要特征
主要性能
訂貨信息:
| 訂貨代碼 | 描述 | 流量系數 | 最大入口壓力 | 
|---|---|---|---|
| 5335008 | 高壓應急切斷閥,具有1/4 “FNPT過程接口及1/8”FNPT氣動入口 | 0.14 | 3500PSIG(240BAR) | 
| 5337008 | 高壓應急切斷閥,具有1/2 “FNPT過程接口及1/8”FNPT氣動入口 | 0.30 | 3500PSIG(240BAR) | 
| 533H008 | 高流量應急切斷閥,具有1/2 “FNPT過程接口及1/8”FNPT氣動入口 | 0.96 | 1000PSIG(70BAR) | 
| 5861001 | 585系列緊急切斷控制器單閥套件,有1個1/4"FNPT應急切斷閥(5335008), 1個1/4“MNPT旋轉接頭, 氣動入口上的1/8英寸軟管倒鉤 (用于連接應急切斷閥的每一側), 4個背部帶膠布的線夾 | 0.14 | 3500PSIG(240BAR) | 
| 5861002 | 585系列緊急切斷控制器雙閥套件,有2個1/4"FNPT應急切斷閥(5335008), 2個1/4“MNPT旋轉接頭 (用于連接應急切斷閥的每一側), 氣動入口有1/8英寸的軟管倒鉤,帶42英寸聚氨酯管的三通, 4個背部帶膠布的線夾 | 0.14 | 3500PSIG(240BAR) | 
| 5862001 | 585系列緊急切斷控制器單閥套件,有1個1/2"FNPT應急切斷閥(5335008),1/2“MNPT旋轉接頭, 氣動入口上的1/8英寸軟管倒鉤 (用于連接應急切斷閥的每一側), 4個背部帶膠布的線夾 | 0.30 | 3500PSIG(240BAR) | 
| 5862002 | 585系列緊急切斷控制器雙閥套件,有2個1/2"FNPT應急切斷閥(5337008), 2個1/2“MNPT旋轉接頭 (用于連接應急切斷閥的每一側), 氣動入口有1/8英寸的軟管倒鉤,帶42英寸聚氨酯管的三通, 4個背部帶膠布的線夾 | 0.30 | 3500PSIG(240BAR) | 
| 5863001 | 高流量單閥套件,有1個1/2"FNPT應急切斷閥(5335008), 1/2“MNPT旋轉接頭, 氣動入口上的1/8英寸軟管倒鉤 (用于連接應急切斷閥的每一側), 4個背部帶膠布的線夾 | 0.96 | 1000PSIG(70BAR) | 
| 5863002 | 高流量雙閥套件,具有2個1/2"FNPT應急切斷閥(533H008),2個1/2“MNPT旋轉接頭, 氣動入口上的1/8英寸軟管倒鉤 (用于連接應急切斷閥的每一側), 帶42英寸聚氨酯管的三通, 4個背部帶膠布的線夾 | 0.96 | 1000PSIG(70BAR) | 
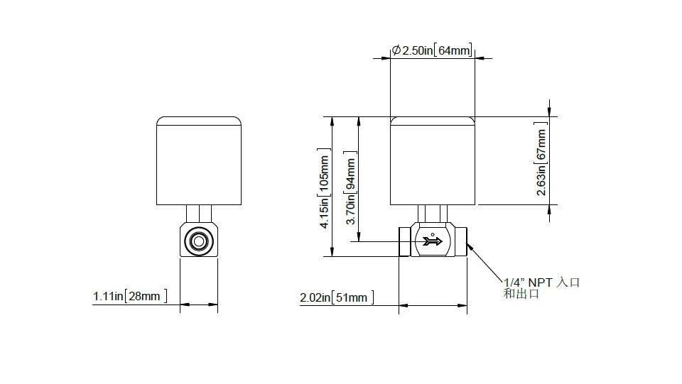
安裝尺寸圖

本網站資料大多是準確的,最新產品資料以產品說明書和操作手冊為準。產品圖片可能與實際有差別,請以實物為準。